23 Mar,2026
Какой химический скруббер лучше всего удаляет кислый га...
Циклонная скрубберная башня обычно имеет цилиндрический корпус башни, оснащенный спиральными перегородками. Во время работы дымовой газ поступает из нижней части башни тангенциально и течет вверх. Направляемый лопастями перегородочных пластин, газ движется по спирали вверх, распыляя жидкость, стекающую по пластинам, на мелкие капли. Это создает большую площадь контакта газа и жидкости. Капли переносятся потоком газа и вращаются, создавая центробежную силу, которая усиливает взаимодействие газа и жидкости. В конце концов капли отбрасываются на стенку башни, стекают вниз вдоль стенки к следующей перегородке и повторно распыляются потоком газа для дальнейшего контакта. Как описано, жидкость достигает полного контакта с газом, сохраняя при этом эффективное разделение — минимизируя унос тумана. Газожидкостная грузоподъемность этой системы более чем в два раза превышает грузоподъемность обычных перегородок.
Превосходные условия контакта газа и жидкости в башне обеспечивают эффективное поглощение отходящих газов щелочными жидкостями. Кроме того, циклонная скрубберная башня демонстрирует превосходную эффективность удаления пыли. Частицы пыли в газе улавливаются водяным туманом на спиральных перегородках, а частицы и капли, выбрасываемые на стенку башни центробежной силой, также эффективно удаляются. В результате газ, выходящий из башни, несет минимальное количество пыли и капель. Скорость ветра в пустой башне колеблется в пределах 2,2–2,7 м/с.
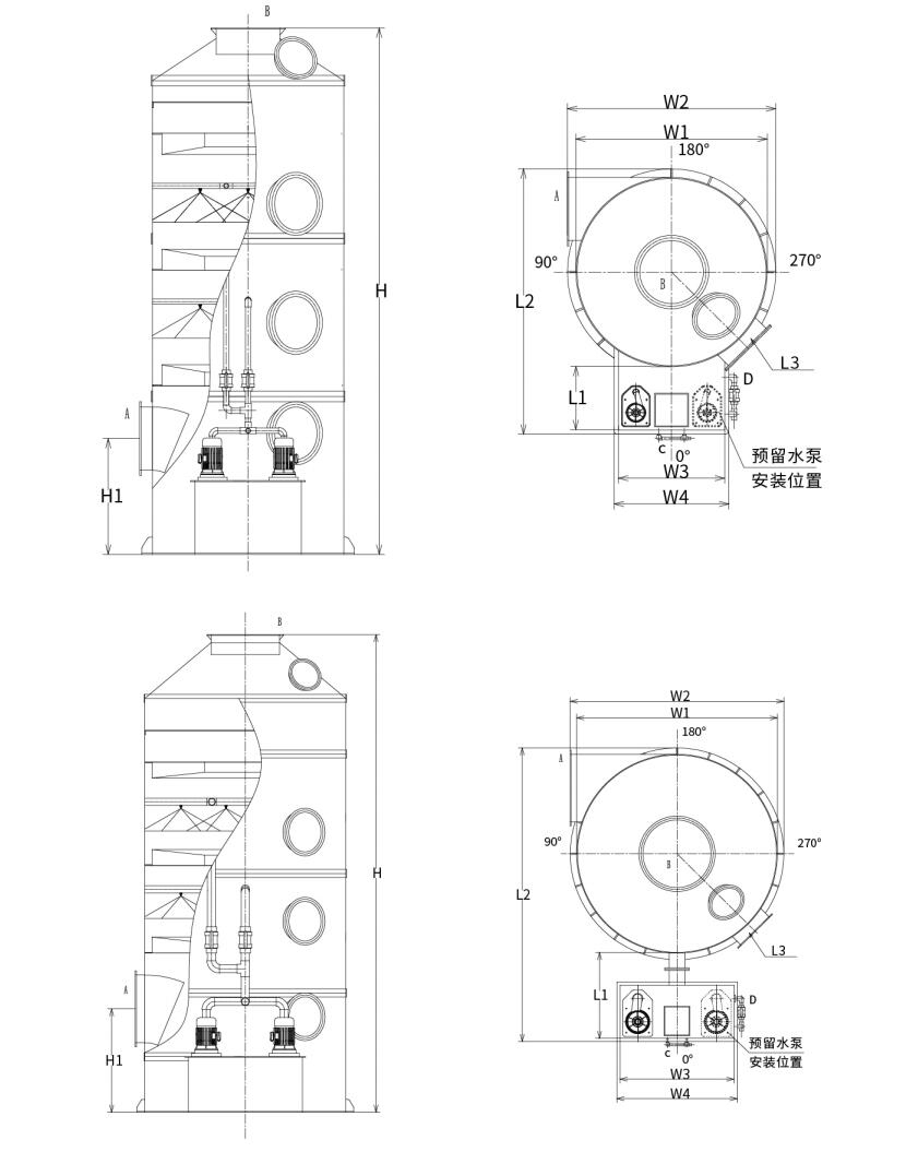
Конструкция вихревой распылительной башни:
Как показано на рисунке: Полная упакованная система распылительной очистки включает в себя следующие компоненты
● Корпус башни изготовлен из листов ПП (полипропилена);
● Рама изготовлена из полипропиленовых спиральных перегородок;
● Распылительные соединительные трубы из ПВХ (непластифицированного поливинилхлорида);
● Спиральные сопла из полипропилена;
● Коррозионностойкий циркуляционный насос из полипропилена;
● Демистерный слой (сетчатый/циклонный/перегородчатый тип);
● Ручные и автоматические устройства пополнения воды;
● Переливные и дренажные трубы;
● Смотровое окно.

Параметры выбора циклонной пластинчатой башни:
Для обеспечения удобства и безопасности транспортировки циклонные скрубберные башни из полипропилена делятся на две категории спецификаций:
Тип 1: Интегрированный циклонный скруббер с резервуаром для воды (диаметр башни: Φ1000 мм - Φ2200 мм)
Тип 2: Циклонный скруббер с раздельным резервуаром для воды (диаметр башни: Φ2500 мм-Φ3500 мм)
Модели башен циклонных скрубберов, соответствующие пропускной способности воздушного потока:
| Модель | Диапазон объема воздуха | Размер устройства | Мощность водяного насоса |
Количество завихрительных лопаток |
Диапазон скорости ветра | Материал оборудования |
| XL-600 | 0-2800м³/ч | Φ600×2950 | 0,75 кВт | 2 | 0-2,76м/с | PP/304/Q235/FRP |
| XL-800 | 3800-5000м³/ч | Φ800×3300 | 0,75 кВт | 2 | 2,11-2,77м/с | PP/304/Q235/FRP |
| XL-1000 | 6000-7500м³/ч | Φ1000×4380 | 1,5 кВт | 2 | 2,13-2,66м/с | PP/304/Q235/FRP |
| XL-1200 | 8500-11000м³/ч | Φ1200×4430 | 2,2 кВт | 2 | 2,09-2,71м/с | PP/304/Q235/FRP |
| XL-1500 | 14000-17000м³/ч | Φ1500×5000 | 3,75 кВт | 2 | 2,2-2,68м/с | PP/304/Q235/FRP |
| XL-1800 | 20000-25000м³/ч | Φ1800×5650 | 5,5 кВт | 2 | 2,19-2,73м/с | PP/304/Q235/FRP |
| XL-2000 | 25001-30000м³/ч | Φ2000×6200 | 5,5 кВт | 2 | 2,21-2,66м/с | PP/304/Q235/FRP |
| XL-2200 | 30001-37000м³/ч | Φ2200×6700 | 7,5 кВт | 2 | 2,19-2,71м/с | PP/304/Q235/FRP |
| XL-2500 | 40000-47000м³/ч | Φ2500×6850 | 7,5 кВт | 2 | 2,27-2,66м/с | PP/304/Q235/FRP |
| XL-2800 | 49000-58000м³/ч | Φ2800×7900 | 11 кВт | 2 | 2,21-2,62м/с | PP/304/Q235/FRP |
| XL-3000 | 58000-68000м³/ч | Φ3000×8000 | 11 кВт | 2 | 2,28-2,67м/с | PP/304/Q235/FRP |
| XL-3200 | 68000-78000м³/ч | Φ3200×8000 | 15 кВт | 2 | 2,35-2,7м/с | PP/304/Q235/FRP |
| XL-3500 | 78000-88000м³/ч | Φ3500×8000 | 15 кВт | 2 | 2,25-2,54м/с | PP/304/Q235/FRP |
Примечание. Нестандартные конструкции могут быть изготовлены в соответствии с требованиями заказчика.
Диаграмма выбора: 
Клиенты отдела обслуживания
Национальные инженерные кейсы
Hangzhou Lvran Environmental Protection Group Co., Ltd. Это комплексный поставщик инженерных услуг и производитель оборудования для систем очистки отходящих газов, объединяющий исследования и разработки, техническое обслуживание, проектирование, производство, монтаж и послепродажное обслуживание.
мы Китай Циклонный пластинчатый мокрый скруббер поставщик и Оптовая торговля Циклонный пластинчатый мокрый скруббер Экспортная компания. Группа является национальным высокотехнологичным предприятием, научно-техническим предприятием провинции Чжэцзян, региональным научно-исследовательским центром и кредитным подразделением с рейтингом AAA. Группа владеет более чем 30 патентами на полезные модели, многочисленными патентами на изобретения и авторскими правами на программное обеспечение. Группа компаний осуществляет долгосрочное сотрудничество в области технологических исследований и разработок с отечественными университетами и научно-исследовательскими институтами, включая «Центр исследований и разработок в области экологических инноваций», созданный совместно с Аньхойским университетом науки и технологий, и «Центр исследований и разработок в области новых технологий плазменной энергетики и охраны окружающей среды», созданный совместно с Чжэцзянским университетом науки и технологий. Группа создала собственные научно-исследовательские и производственные базы для осуществления углубленного технологического сотрудничества. Группа обладает ключевыми технологиями очистки летучих органических соединений (ЛОС) и имеет квалификацию генерального подрядчика II класса для муниципального строительства, лицензию на безопасное производство, квалификацию специалиста по проектированию класса B для контроля загрязнения окружающей среды в провинции Чжэцзян, квалификацию работника неклассифицированной категории и квалификацию специалиста по инженерно-техническому подряду. Группа компаний прошла международную сертификацию системы управления качеством ISO9001, сертификацию системы экологического менеджмента ISO14001 и сертификацию системы управления охраной труда и техникой безопасности ISO45001.
23 Mar,2026
16 Mar,2026
10 Mar,2026
03 Mar,2026
23 Feb,2026